smacker Публикувано 28 Март, 2014 Доклад Сподели Публикувано 28 Март, 2014 Здравейте, някой ползвал ли такова нещо ? По-скоро ме интересува, някой опитвал ли се е да направи такова нещо или схема за направата му. Параметрите са: Вх. напрежежение 30-90 Волта, прав ток. Изходящо 30-90 Волта, прав ток. Максимален ток - 2 ампера. По възможност да може да се променя. Адрес на коментара Сподели в други сайтове More sharing options...
master Отговорено 28 Март, 2014 Доклад Сподели Отговорено 28 Март, 2014 С връщане в първоначално състояние или без ? Доста е голям диапазона и няма да успееш да направиш универсална за този диапазон поне според мен. Analog Audio™ Адрес на коментара Сподели в други сайтове More sharing options...
smacker Отговорено 29 Март, 2014 Автор Доклад Сподели Отговорено 29 Март, 2014 Дори и като предпазител да работи - пак ще е доволно. Дори и в диапазон 50-90 волта, пак е доволно. Проблема е, че предпазител не върши много работа. Всъщност ще свърши но тези които са крива "B" май бяха (може и крива "C" да са), един вид бързо действащите са значително скъпи. Надхвърлят 30 лева. Освен това, предпазителите се влиаят и от околната температура. При студено време биха изключвали по-бавно. При топло биха изключвали и без причина. Ровя в нета - трудно намирам схемичка. Някой да е правил такава системка ? Адрес на коментара Сподели в други сайтове More sharing options...
Администратор Велин Отговорено 29 Март, 2014 Администратор Доклад Сподели Отговорено 29 Март, 2014 Ако ти се палят трафовете само термозащита ги оправя ... Не отговарям на постове написани с шльокавица! Адрес на коментара Сподели в други сайтове More sharing options...
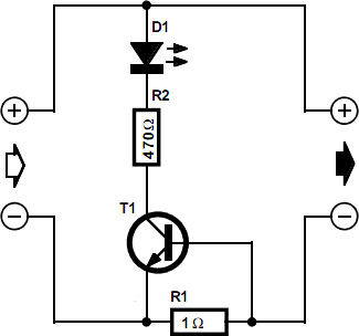
master Отговорено 29 Март, 2014 Доклад Сподели Отговорено 29 Март, 2014 (Редактирано) За централни захранвания бързодеистващи предпазители ще ти правят бели. Къде ги слагате, че температурата е с толкова голям толеранс? До сега никога сме нямали проблеми с късо и трафовете но предпазители задължително в първичната намотка. Ето нещо което може да те подсети.. На мястото на светодиода слагаш оптрон който да управлява вече реле или др. Транзистора поне 100V, а според резистора си настройваш тока. Редактирано 29 Март, 2014 от master Analog Audio™ Адрес на коментара Сподели в други сайтове More sharing options...
smacker Отговорено 30 Март, 2014 Автор Доклад Сподели Отговорено 30 Март, 2014 всъщност проблема е когато захранваш с 1траф 1-2 квартала. имаш поне 10 трасета. все се случва някое от захранванията да окъси, или магнолийте да срежат парче кабел. при това положение не е нужно при късо в едно от трасетата да прекъснат останалите, защото трафа изключва. това според мен може да се реши с МТЗ. та това ми е идеята. да се сложат МТЗ на всички трасета в началото и по този начин, да се изключва само проблемното трасе. а за предпазителя - когато е монтира навън зависи дали е на слънчева или сенчеста страна, зависи дали е зима или лято. зависи на какво разстояние от трафа е и колко трасета имаш преди него. да спомена - ползваме импулсни трафове 220-90 волта. Адрес на коментара Сподели в други сайтове More sharing options...
master Отговорено 31 Март, 2014 Доклад Сподели Отговорено 31 Март, 2014 Просто сложете няколко трафа, а не един и слагайте предпазители на всеки клон. Не знам какви импулсни ползвате, че да дават на късо но просто ако бях на ваше място щях да спра да ги ползвам. Трафа + всичко останало не трябва да е на вън. Analog Audio™ Адрес на коментара Сподели в други сайтове More sharing options...
smacker Отговорено 31 Март, 2014 Автор Доклад Сподели Отговорено 31 Март, 2014 Друго си е да си сложиш на 1 място всичко, да си сложиш електромера и да не се занимаваш с 3-4 допълнителни изнудвача. Импулсните БЯХА от Неомонтана. От преди около година, само да се притъмни и 3-4 импулсни изгарят. Ако вали са двойно повече. За мълния - направо не ми се говори.Постепенно ги подменяме, но немога да отреча че имаме такива на Неомонтана от 4-5 години работещи без проблеми. Предпазителите са най-вече скъпи. Ако трябва да оборудвам 200 такива - ще струва 6-7 хиляди. А и трудно някой гирлянд да го разделиш на 2 -3 части с такива предпазители. Допълнително оскъпява. Но най-важното е, че защитата на трафа сработва преди предпазителя, особено при по-отдалечени трасета. Та затова си мислех. Една МТЗ ще свърши перфектна работа, каквото и да стане. Ще лиши 20 клиента от услуга, като защити 200 от прекъсване, а не да спре 220 заради едно фалшиво захранване. Адрес на коментара Сподели в други сайтове More sharing options...
Администратор Велин Отговорено 1 Април, 2014 Администратор Доклад Сподели Отговорено 1 Април, 2014 на всеки май ланаджия му е ясна ситуацията, но трябва да направя поправка в заданието, максимално токова защита не е това което трябва а защита по максимална мощност в определения клон, подобна защита може да се ползва и по - далеко от захранването , като примерно се калибрира с тример необходимата мощност, има един елементарен начин за следене на мощността всеки познава електромера предполагам, и сигурно вече се досещате, че ни трябва токова намотка. Преди доста години имаше едни токоизправители ТЕС те бяха с подобна защита намотка с средата на която имаше рид ампула супер елементарен механизъм. и най - важното много надежден. Схемата трябва да съдържа токова бобина или токов трансформатор, реле със съответно захранване , 2-3 транзистора или компаратор и тример за настройка на чувствителността. Бих се хванал да го правя ама нямам никакво време. Трябва да предложа на колегите от захранване.ком да го реализират или който и да е друг. Не отговарям на постове написани с шльокавица! Адрес на коментара Сподели в други сайтове More sharing options...
master Отговорено 1 Април, 2014 Доклад Сподели Отговорено 1 Април, 2014 Тя тази схема я има в нета Analog Audio™ Адрес на коментара Сподели в други сайтове More sharing options...
smacker Отговорено 2 Април, 2014 Автор Доклад Сподели Отговорено 2 Април, 2014 на всеки май ланаджия му е ясна ситуацията, но трябва да направя поправка в заданието, максимално токова защита не е това което трябва а защита по максимална мощност в определения клон, подобна защита може да се ползва и по - далеко от захранването , като примерно се калибрира с тример необходимата мощност, има един елементарен начин за следене на мощността всеки познава електромера предполагам, и сигурно вече се досещате, че ни трябва токова намотка. Преди доста години имаше едни токоизправители ТЕС те бяха с подобна защита намотка с средата на която имаше рид ампула супер елементарен механизъм. и най - важното много надежден. Схемата трябва да съдържа токова бобина или токов трансформатор, реле със съответно захранване , 2-3 транзистора или компаратор и тример за настройка на чувствителността. Бих се хванал да го правя ама нямам никакво време. Трябва да предложа на колегите от захранване.ком да го реализират или който и да е друг. Вярно е, това ще да е безотказно. Само незнам как ще е по бързодействие. Дали преди да задейства ридампулата и релето, няма да изключи защитата на трафа. Говорих си със захранване.ком. Казаха, че разработват такова нещо, ама нямат готово решение. А за протокола ридампула не превключваше ли чрез магнитна сила ? Защото електромерите (не електронните), всъщност работят на друг принцип. На вихровите токове или т.нар. токове на Фуко. По скоро някакво решение на базата на датчика на Хол ще е по-удачно. Адрес на коментара Сподели в други сайтове More sharing options...
Администратор Велин Отговорено 2 Април, 2014 Администратор Доклад Сподели Отговорено 2 Април, 2014 Рид ампулата беше за пример , там няма да може да правим фино регулиране , върши работа за по брутални ситуации. Иначе вариант с хол датчик също е възможен, може даже да е най - евтин, токовия тансформатор е май малко по - скъп но и при него съшо е възможно регулиране. Не отговарям на постове написани с шльокавица! Адрес на коментара Сподели в други сайтове More sharing options...
freenet Отговорено 3 Април, 2014 Доклад Сподели Отговорено 3 Април, 2014 Здр., Тока съответно мощноста в един сегмент от мрежа е силно променлива величина , 1 началното пускане значително по-голям ток за няколко секунди , 2 брой работещи портове заети/свободни , 3 не дай си боже суич с 'гръмнал' порт проблемно захранване .С 3 позиция направо изперкваш докато намериш проблема за повишената консумация и с твоя желан бързо действащ предпазител който е настроен ( не е проблем да цепи 1мА) пада всичко (целия клон/сегмент) и цирка е пълен . Орентацията ти е грешна ползвай захранвания с ограничаване по ток естествено на стабилизираното напрежение (+5/12В) ,на захранващото напрежение ще е достатъчен и предпазител със стопяема жичка ( правилно расчетен за 1,2,3). Не е проблем да се разработи такъв предпазител/защита да се тества да се получи готово решение ,искат се ясни параметри (моите разсъждения си остават за мен ако искаш се съобразявай) =90В 2А за изключването ще изключи кой го пуска пак, време на изчакване ...сек. . Адрес на коментара Сподели в други сайтове More sharing options...
master Отговорено 3 Април, 2014 Доклад Сподели Отговорено 3 Април, 2014 Именно обаче консумацията на даден клон винаги е не известна величина. Днес има една утре е друга, после се сменят суичове или се махат / добавят и т.н. Analog Audio™ Адрес на коментара Сподели в други сайтове More sharing options...
smacker Отговорено 3 Април, 2014 Автор Доклад Сподели Отговорено 3 Април, 2014 @freenet така е... условията са много. Ще трябва да се тестват доста неща, докато се усъвършенства. Ето нещо на практика. Ние имаме по 2-3 суитча на трасе. Така или иначе, това прави около 20 вата заедно с медията. Имаме и около 10 такива трасета на един импулсен траф. Ако на едно от трасетата гръмне 1 стабилизатор - спират всички останали, тъй като трафа изключва за късо. Окъсяване може да се получи и при скъсан кабел, тогава стопяемите предпазители не стабилизаторчетата не вършат работа. Но ако има една такава защита на всяко едно трасет - то ще отпадне, но не и другите 10 трасета. Също, такава защита може да се нареди каскадно на по-дълго трасе (примерно на всеки 2 суитча). Така и по лесно ще се намери проблема. Адрес на коментара Сподели в други сайтове More sharing options...
Recommended Posts
Създайте нов акаунт или се впишете, за да коментирате
За да коментирате, трябва да имате регистрация
Създайте акаунт
Присъединете се към нашата общност. Регистрацията става бързо!
Регистрация на нов акаунтВход
Имате акаунт? Впишете се оттук.
Вписване