Jump to content

Какви LAN протектори ползвате за...................


RudY-ElectriC

Recommended Posts

Здравейте та въпроса ми е следния какъв тип лан протектори ползвате за защита на потовете на устриствата на "UBNT" и как евентуално ги пазите от атмосферните влияния в кутия близо до самото устройство или ? ? ?

Този тип подходящо ли е за целта ?

ethp1-400.gif

…Ние, можещите водени от незнаещите, вършим невъзможното за кефа на неблагодарни...те. И сме направили толкова много, с толкова малко, за толкова дълго време, че сме се квалифицирали да правим всичко от нищо… К. Иречек,

Адрес на коментара
Сподели в други сайтове

Да като се загледах във схемите им днеска го видях тоя тип ама щом и ти потвърди значи ще е това

А относно каде се слагам смятам че се слага близо до устроиството в няква малка кутийка колкото да влезе протектора и да се изолира от влага :)

ако нее това варианта моля да ме поправите ще съм благодарен

…Ние, можещите водени от незнаещите, вършим невъзможното за кефа на неблагодарни...те. И сме направили толкова много, с толкова малко, за толкова дълго време, че сме се квалифицирали да правим всичко от нищо… К. Иречек,

Адрес на коментара
Сподели в други сайтове

За НАНО-то съм съгласем просто има място отдолу ама за Булет,АирГрид,НаноБридж макар че за последните две съм склонен да сметна че ще има място отзад в празната част на облъчвателя особенно като се има в предвид че си ги модернизираме и ги слагаме на по големи паници а там в тръбата която се слага зада се намести фокусното има достаъчно място за едно протекторче макарче заземителния кабел става малко дълаг ама по добре с дълаг кабел отколкото без него ама за булет си трябва няква кутийка там няма начин

…Ние, можещите водени от незнаещите, вършим невъзможното за кефа на неблагодарни...те. И сме направили толкова много, с толкова малко, за толкова дълго време, че сме се квалифицирали да правим всичко от нищо… К. Иречек,

Адрес на коментара
Сподели в други сайтове

Само директно на вън ги слагам. От М серията, имам доста, първите са още от преди да се появят в БГ, до сега няма фалове  :)

Адрес на коментара
Сподели в други сайтове

Ако беше ги слагал по нашия край със сигурност щеше да има "гафове". Аз по горе като казах кутия нямах предвид заради влага и т.н. ами да го пази от кражби.

Адрес на коментара
Сподели в други сайтове

  • Администратор

Само директно на вън ги слагам. От М серията, имам доста, първите са още от преди да се появят в БГ, до сега няма фалове  :)

оня ден монтирах един нано бридж оказа се дефектен , саморестартира се при най - малкото натоварване имат -1 за сега ;) освен това един познат се оплаква от проблеми със захранващите пое-та на рокетите .

Не отговарям на постове написани с шльокавица!

Адрес на коментара
Сподели в други сайтове

Варненската "кампания АНТИконкуренция" е просто уникална   

…Ние, можещите водени от незнаещите, вършим невъзможното за кефа на неблагодарни...те. И сме направили толкова много, с толкова малко, за толкова дълго време, че сме се квалифицирали да правим всичко от нищо… К. Иречек,

Адрес на коментара
Сподели в други сайтове

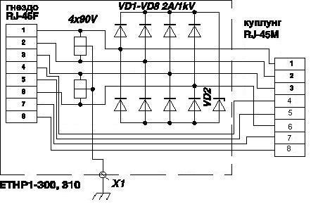
Не този не е подходящ за poe.

п.п. трябва ти като този но да има разрядници към маса и от сигналните проводници.

Имаш предвид такъв тип схема

Тая схема малко съм я преправил с цел да ти покажа  иначе оригинала е на НЕОМОНТАНА ETHP1-300,310 трябва да се отбележи

post-276-130900728341_thumb.jpg

…Ние, можещите водени от незнаещите, вършим невъзможното за кефа на неблагодарни...те. И сме направили толкова много, с толкова малко, за толкова дълго време, че сме се квалифицирали да правим всичко от нищо… К. Иречек,

Адрес на коментара
Сподели в други сайтове

Ами то такъв едвали има трябва сам да си го правя :)

Ти нямаш ли такива

…Ние, можещите водени от незнаещите, вършим невъзможното за кефа на неблагодарни...те. И сме направили толкова много, с толкова малко, за толкова дълго време, че сме се квалифицирали да правим всичко от нищо… К. Иречек,

Адрес на коментара
Сподели в други сайтове

Нямам аз доста продадох но мога да ти модна някой "фабричен" . И все пак няма никаква гаранция дали ще оцелее порта след някой хубава буря...  :)

Адрес на коментара
Сподели в други сайтове

Създайте нов акаунт или се впишете, за да коментирате

За да коментирате, трябва да имате регистрация

Създайте акаунт

Присъединете се към нашата общност. Регистрацията става бързо!

Регистрация на нов акаунт

Вход

Имате акаунт? Впишете се оттук.

Вписване
  • Потребители разглеждащи страницата   0 потребители

    • No registered users viewing this page.
×
×
  • Създай нов...

Important Information

By using this site, you agree to our Terms of Use.